ПРОФЕСИОНАЛЕН СЪВЕТ
от 9 до 17ч
Няма продукти
*352 091
Нов продукт
MX5-XNC-WAH-XTD-002

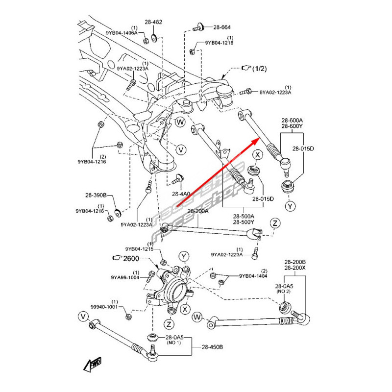
CYBUL Задни горни регулируеми носачи MX-5 NC и RX-8
Най-леките и най-модерни задни регулируеми багажници за Mazda MX-5 NC и RX-8. Изработени от ултралеки, произведени в ЕС 4130 хром-молибденови тръби, проектирани по CAD и тествани на писта.Изпратете на оператора на магазина въпрос за този продукт.
* задължителен
или Откажи
Уведомявай ме, когато е на склад

CYBUL Задни горни регулируеми носачи MX-5 NC и RX-8
За да бъдете информирани за съхранението на продукта чрез имейл, попълнете формуляра.
* задължително
или Отмени
Основни предимства:
Основни характеристики:
В пакета получавате:
Монтирането само на чифт задни регулируеми носачи не е достатъчно, за да се настрои правилната геометрия. Скъсяването/удължаването само на едното рамо ще създаде голямо напрежение в окачването. Освен това ще промени едновременно наклона на окачването със сходимостта навътре/навън. Препоръчително е да се монтират поне 3 чифта регулируеми носачи – 2 горни и 1 долен или 1 горен и 2 долни.
Тази дискусия е специално предназначена за обмен на информация между клиентите. За въпроси относно вашата поръчка или наличност на склад, моля свържете се с нас директно.
| Марка | Модел | Модификация |
|---|---|---|
| Mazda | MX-5 | III (NC) (2006 - 2015) |
| Mazda | RX-8 | SE (2003 - 2009) |
Най-леките и най-модерни задни...
